真实双人插画的动图,七天返场鲜花送赠佳人,解密家庭监控视频网

產品目錄
聯系報價
緊急熱線
聯系銷售
服務與解決方案
翼凱機械為耐磨材料解決方案專家。我們竭誠為您產線提供一站式耐磨材料解決方案服務和科學解決方案,同時為您節省成本以及精力。向您提供專業的解決方案是我們的強項。上海翼凱機械設備有限公司積極帶給您國內外的材料技術解決方案,同時還為您提供專業的技術指導以及支持服務。
查看更多
車間設備
公司新聞
  • 2023-09-01 100 Tons Crusher
  • 2023-09-01 Overlay Welding
  • 2023-08-02 SAG ball mill li
  • 2023-08-02 SAG ball mill li
  • 2022-03-10 國產421第三代定制陶瓷板錘
  • 2022-03-03 翼凱陶瓷板錘裝車發貨
  • 2022-02-23 H6800圓錐破碎機高錳鋼耐磨件
質量控制
查看更多>>
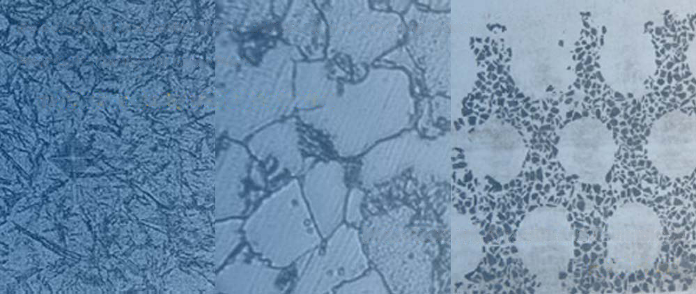
我們嚴肅認真對待產品質量!翼凱機械質量控制體系控制產品原材料,化成成份,尺寸精度,金相組織,產品內部以及表面質量等。產品的質檢標準嚴格按照國標GB,也可以美標ASTM等其他執行并驗收。
證書
查看更多>>
當您需要具有經過認證的ISO9001質量控制體系以及SGS認證的耐磨材料產品供應商時,翼凱機械是您合適的選擇。我們有強烈的質量控制意識以及完善的質量控制體系。 所有的產品合格后,方可入庫發貨。
客戶反饋
查看更多>>
翼凱機械始終與客戶保持良好的溝通,聽取他們對我們產品質量的反饋。我們希望通過客戶反饋來完善我們的產品 … 查看更多
《v0L23演艺圈事件》 抖音爆料吃瓜观看在线 02舞蹈赵子涵三部 高端外围3000快餐一小时贵吗 秦先生11集艺校小琴免费观看 唐哥02年舞蹈女孩赵子涵
白银市 和静县 定安县 五家渠市 杭锦后旗 乐至县
铜山县 博罗县 高碑店市 张北县 金山区 宾阳县
定兴县 龙口市 若尔盖县 辽阳市 营口市 芜湖市
泛站蜘蛛池模板: 凯里市| 汕头市| 同心县| 东宁县| 富阳市| 南通市| 道真| 湘潭市| 华安县| 那曲县| 界首市| 新安县| 库车县| 晋城| 合川市| 曲水县| 南丰县| 柯坪县| 汕头市| 崇仁县| 大悟县| 罗定市| 丹棱县| 桓台县| 三都| 长兴县| 沁源县| 余江县| 彭山县| 潮安县| 清新县| 安宁市| 金乡县| 资源县| 渑池县| 安丘市| 罗田县| 文安县| 杭锦旗| 东至县| 乌什县|